2,44 kr
1,96 kr
63,03 kr
50,43 kr
PINOX – hörn balusterstolpe fi 42,4 mm obeväpnad AISI 304 satinerad
produkt otillgänglig
lägg till i önskelista
0
Beskrivning
PINOX – hörn balusterstolpe fi 42,4 mm obeväpnad AISI 304 satinerad

Hörn balusterstolpe PINOX med diameter 42,4 mm och höjd 881 mm är en färdig lösning för professionella balusterkonstruktioner vid riktningsändringar. Tillverkad i rostfritt stål AISI 304 med satinerad yta, kombinerar den hållbarhet med modern estetik. Den obeväpnade versionen ger installatören full frihet att välja fästen och tillbehör — idealisk för projekt som kräver ovanliga konfigurationer.
Stolpen är främst avsedd för inomhusbruk. Med rätt underhåll — regelbunden rengöring och användning av skyddsmedel — kan den framgångsrikt användas utomhus, förutsatt att den inte utsätts för stark påverkan av havssalt.
Obeväpnad version — full monteringsfrihet
Stolpen har 8 hål med gänga M6 fördelade på 4 nivåer (2 hål på varje nivå, i konfiguration 2-M6×90°). De gängade hålen möjliggör fastskruvning av valfria fästen för stänger, rör eller glas — utan fabriksbegränsningar. Detta är en lösning som uppskattas av installatörer som behöver flexibilitet vid anpassning av element till individuell balusterdesign.

Stabil fästning i golv
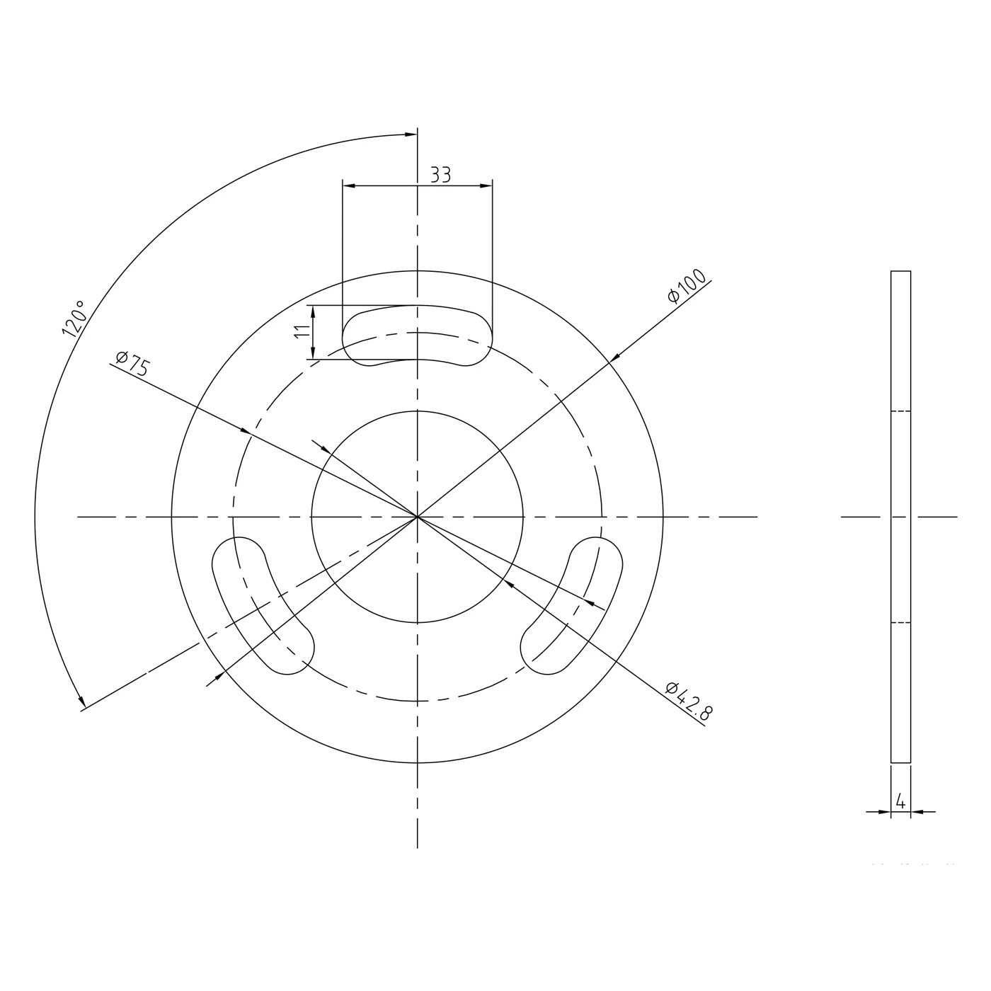
Påsvetsad grundplatta (fläns) med diameter ø100 mm och tjocklek 4 mm säkerställer solid förbindelse med underlaget. Tre ovala monteringshål fördelade med 120° på delcirkel ø75 mm möjliggör säker förankring. Monteringshålens mått i flänsen är 33 × 11 mm, vilket möjliggör precis åtdragning även på lätt ojämnt underlag.
Mått och tekniska parametrar
- Tillverkare: PINOX
- Typ: hörn, obeväpnad
- Material: rostfritt stål AISI 304
- Yta: satinerad
- Total höjd: 881 mm
- Rördiameter: ø42,4 mm
- Rörväggtjocklek: 2 mm
- Monteringshål i stolpe: 8 st. med gänga M6 (4 nivåer × 2 hål)
- Håldelning vertikalt: 190 mm (mellan nivåer)
- Avstånd från bas till första hålnivå: 200 mm
- Avstånd från sista hålnivå till topp: 111 mm
- Fästning: i golv (påsvetsad fläns)
- Flänsdiameter: ø100 mm
- Flänstjocklek: 4 mm
- Hål i fläns: 3 st. ovala 33 × 11 mm, delning 120°
- Håldiameter för rör: ø42,8 mm
- Vikt: 1,4 kg
- EAN: 5903313205450
Måttritningar


Tekniska data
| Material | AISI 304 |
| Ytbehandling | Satin |
| Monteringssystem | 42,4 mm |
Säkerhet
Alla recensioner (positiva och negativa) visas, enligt plattformens antalsbegränsning. Vi kontrollerar att de kommer från kunder som har köpt produkten. Läs mer på vår kommentarpolicies sida.