2,44 kr
1,96 kr
63,03 kr
50,43 kr
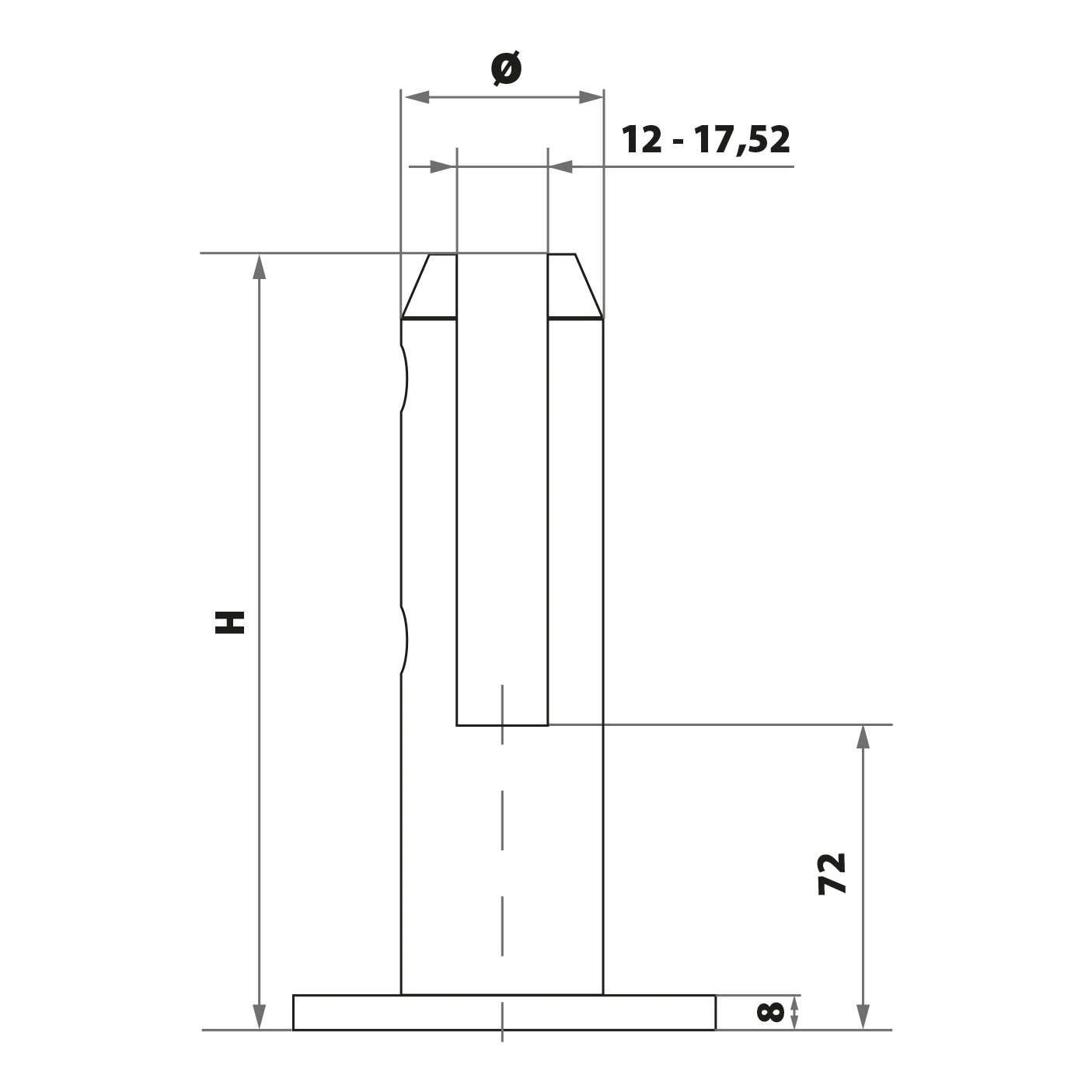
Vertikal spigot-hållare för glas 12-17,52 mm fi 48 mm H=182 mm AISI 304 satin
produkt otillgänglig
lägg till i önskelista
Beskrivning
Glasinfästning spigot rund ø48 mm rostfritt stål AISI 304 satin
Vertikal glasinfästning av spigot-typ med rund bas — ett pålitligt fästdon för räcken och glaspaneler. Tillverkad av rostfritt stål AISI 304 med satinfinish, ger den hållbarhet och korrosionsbeständighet både inomhus och utomhus. Infästningen monteras direkt i underlaget med skruvar och ansvarar för stabilisering och säkerhet i hela glaskonstruktionen.

Produktens viktigaste egenskaper
- Material: rostfritt stål AISI 304 — hög korrosionsbeständighet
- Ytfinish: satin — estetiskt, matt utseende
- Kompatibel med glas i tjocklek: 12 till 17,52 mm
- Total höjd (H): 182 mm
- Korpusdiameter: ø48 mm
- Monteringssätt: skruvmonterad i underlaget (rekommenderade skruvar DIN 7991 med gänga M8)
- Ingår i leveransen: täckbricka som döljer fästet
- Vikt: 1,2 kg

Konstruktion och montering
Den övre delen av infästningen är försedd med en delad spindel med två klämkäftar, mellan vilka glasskivan placeras. Inuti spåret sitter gummitätningar som håller glaset säkert på plats och skyddar det mot repor. Tack vare detta överför konstruktionen belastningar effektivt och garanterar säker användning.
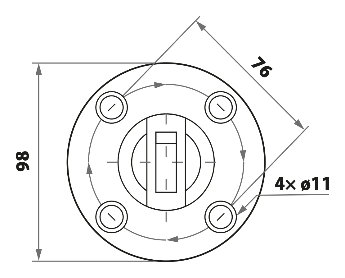
Den runda monteringsbasen har 4 monteringshål med diameter ø11 mm placerade på en bultcirkel med delningsdiameter 76 mm, vilket möjliggör ett säkert och symmetriskt skruvfäste i underlaget. Den medföljande täckbrickan döljer skruvhuvudena och ger ett elegant, färdigställt utseende.
Mått och teknisk specifikation


- Total höjd (H): 182 mm
- Korpusdiameter (ø): 48 mm
- Basdiameter: ø98 mm
- Bastjocklek: 8 mm
- Bultcirkeldiameter (PCD): 76 mm
- Antal monteringshål: 4 × ø11 mm
- Glasinfattningsdjup: 72 mm (från basens underkant till spårets botten)
- Glasets tjockleksområde: 12 – 17,52 mm
- Rekommenderad skruvtyp: DIN 7991, gänga M8

Medföljande tätningar
I paketet med infästningen medföljer två gummitätningar (insatser) som placeras på var sida om glasskivan inuti klämspåret. Tätningarna absorberar trycket från käftarna mot glaset, förhindrar sprickbildning och eliminerar glapp. Tack vare den universella profilen hanterar infästningen glas med tjocklek från 12 mm (enkelt härdat) upp till 17,52 mm (laminerat VSG). Detta gör att infästningen kan användas i såväl inomhus- som utomhusräcken.
Tekniska data
| Material | AISI 304 |
| Ytbehandling | Satin |
| Monteringssystem | 48,3 mm |
| Glastjocklek [mm] | 12-17,52 |
Säkerhet
Alla recensioner (positiva och negativa) visas, enligt plattformens antalsbegränsning. Vi kontrollerar att de kommer från kunder som har köpt produkten. Läs mer på vår kommentarpolicies sida.